ハーレーカスタムパーツ専門店

ハーレーカスタム&用品 HDパーツ

ハーレーのパーツ・部品をお求めやすく。
カスタムでより楽しいハーレーライフを。

購入可能商品から探す 全商品から探す
ハーレーパーツSALE monthly-sale
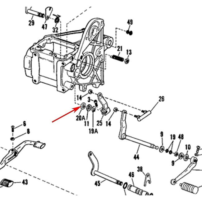
1980~2006 ビッグツイン シフターシャフト シール
1980~2006 ビッグツイン シフターシャフト シール
1980~2006 ビッグツイン シフターシャフト シール1

商品説明

1980~2006 ツーリング、1984~2006 ソフテイル、1991~2005 ダイナ用 シフターシャフト シールです 純正品番:12045 単品販売

メーカーCOMETIC GASKET(コメティック ガスケット)

サイズ

デザイン

カラー

素材

C9259F1

1980~2006 ビッグツイン シフターシャフト シール コメティック

商品番号 C9259F1
1~2週
販売価格 ¥ 440 税込
SALE価格 ¥ 440 税込

¥30,000(税込)以上お買い上げで送料無料

4 ポイント進呈
会員価格で購入するにはログインが必要です。
在庫数 9997

1980~2006 ツーリング 1984~2006 ソフテイル 1991~2005 ダイナ 1980~1999 ビッグツイン