ハーレーカスタムパーツ専門店

ハーレーカスタム&用品 HDパーツ

ハーレーのパーツ・部品をお求めやすく。
カスタムでより楽しいハーレーライフを。

購入可能商品から探す 全商品から探す
ハーレーパーツSALE monthly-sale
4ポイント・ドッキングハードウェアキット リペアボルト-01
4ポイント・ドッキングハードウェアキット リペアボルト-01

商品説明

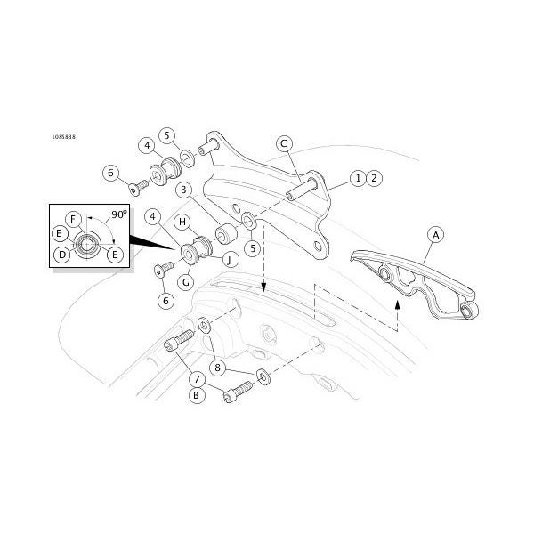
52300353、 52300354のブッシュに使用しているボルトです。 写真の「6」になります。

メーカーHarley Davidson(ハーレー ダビッドソン)

サイズCap screw, flat head TORX, 1/4-20x 5/8インチ

デザイン

カラー

素材

10200322

【純正】 4ポイント・ドッキングハードウェアキット リペアボルト

商品番号 10200322
3~9週
販売価格 ¥ 680 税込
SALE価格 ¥ 680 税込

¥30,000(税込)以上お買い上げで送料無料

6 ポイント進呈
会員価格で購入するにはログインが必要です。
在庫数 9992

2014~2025 ツーリング ※ドッキングハードウェアキット装着車