ハーレーカスタムパーツ専門店

ハーレーカスタム&用品 HDパーツ

ハーレーのパーツ・部品をお求めやすく。
カスタムでより楽しいハーレーライフを。

購入可能商品から探す 全商品から探す
ハーレーパーツSALE monthly-sale

商品説明

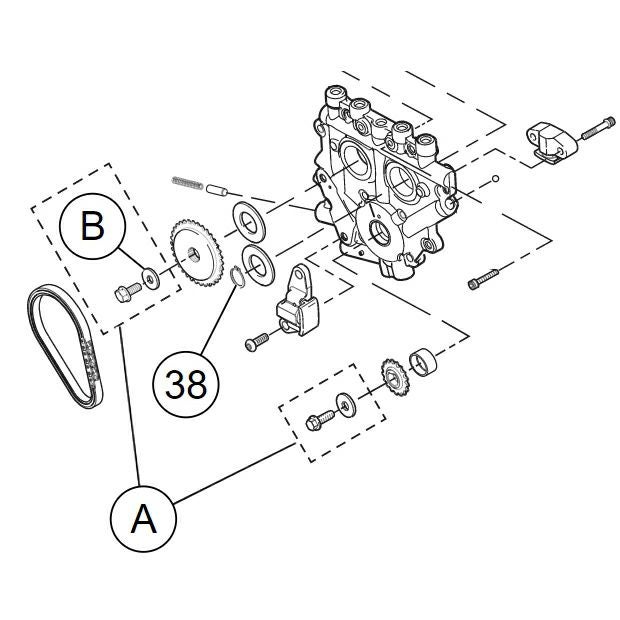
トルクカムを組んだり、ボアアップする際等に必要なパーツです。 写真のAが該当商品です。

メーカーHarley Davidson(ハーレー ダビッドソン)

サイズ

デザイン

カラー

素材

25566-06

【純正】 カムドライブリテンションハードウェア

商品番号 25566-06
3~9週
販売価格 ¥ 1,864 税込
SALE価格 ¥ 1,864 税込

¥30,000(税込)以上お買い上げで送料無料

17 ポイント進呈
会員価格で購入するにはログインが必要です。
在庫数 9999