ツインカムの車種でもツーリングモデルとソフテイルはスロットルが電子制御と通常のケーブルスロットルが混在しているので注意が必要。
バックプレートの取付け穴の位置が異なるので適合が異なってくる。
自分の車両がどっちか分からない時は、以下の写真のようなサーボモーターの有無で簡単に判断できる。もしくはスロットルのアクセルケーブルの有無でも見分ける事が可能だ。アクセルから固いケーブルが伸びている車両はケーブルスロットルで、ケーブルがなく配線で信号を送っている車両は電子制御となる。電子制御車はモーターでスロットルを開閉している。

電子制御スロットル用サーボモーター エアクリを交換すると露出して美しくない
ハーレーで電子制御スロットルを採用しているのは以下の車種
- 2008年以降ツーリングモデル
- 2016年以降ソフテイル全車種
- 2011~2012 FLSTSE、
2013~2015 FXSBSE、FLSTNSE - 2016以降 FXDLS

※ツーリング用 サーボモーターカバー
サーボモーター専用のカバーも何種類か用意されている。
エアクリーナーをノーマルからハイフローに変えると外径が丸くなり前後が短くなる。すると、後ろ側の気筒側にあるサーボモーター(スロットルを開閉するモーター)が露出する。
モーターはプラスチックのケースで美観を損ねる・・ノーマルだと見えないから良いが・・
そこで、この部分に被せるクロームやブラックのカバーが各社から販売されている。外観を気にする人は要検討。
キャブ車→インジェクション→電子制御
ハーレーのツインカムエンジンは途中からインジェクションに変わった。キャブ車でもインジェクションでも電子制御以前ならエアクリーナーの取付け面の適合は変わらない。
これは、ハーレーで同じ寸法になるよう合わせてあるから。
ただし、純正CV以外のキャブレター(S&S Eキャブ、FCRなど)の場合は適合が異なる物がある。
ケーブル車と電子制御の場合は適合が近いが、若干違う部分がある。適合を間違えてバックプレートを割ってしまう人がいる。今までに約3人位・・・
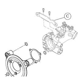
電子制御のツーリング、ソフテイルにはこのイラストの(C)のプレートが付いている。
ケーブル車にはこれが付いてない。ブラケットの厚さは約4~5mm位。ケーブル用を電子制御車に付けようとするとこの厚み分バックプレートが外に出る。
この状態でボルトを締めていくと、バックプレートがバキッと割れる・・適合は要注意です:-)
ページ作成・編集者
- HD-PARTS 専門スタッフ
-
こちらのコンテンツは、HD-PARTS専門スタッフが編集・作成しています。
カスタム経験を活かし、ハーレー乗りの視点で実用性の高い情報や、お客様よりお寄せいただいたご投稿をお届けしています。
関連記事
ハーレーパーツ インプレッション2026年5月1日オイルフィルターマウント用ガスケット
ハーレーパーツ インプレッション2025年11月26日1/4-20 X 1 1/4 クローム・インチ・ボルト
ハーレーパーツ インプレッション2025年11月26日GALFAR スカル
ハーレーパーツ インプレッション2025年10月29日FLTRXSにツアラーブレース装着




miyabi
はじめまして。
エアクリーナーの適合についてお伺いします。
キャブ車のソフテイルに乗っているのですが
インジェクション用のエアクリーナーを付ける事は可能でしょうか?
安価な物はインジェクション用しか見当たらなく・・・
愚問かもしれませんが、ご指導お願い致します。
worldmotor 投稿者
キャブ車にインジェクション車用のエアクリーナーを使用できないか?というご質問ですが、
キャブがノーマルのCVキャブでしたらインジェクション用をそのまま使用できます。(ただし、電子制御用は適合しません)
インテークマニフォールドのツラ位置がキャブ車と同じになるように作ってあります。
エアクリーナーの商品ページにも”1993~2015 ソフテイル”といった適合の記載になっていると思います。
S&SのEキャブやGキャブなどに変更してある場合は、それ用のエアクリーナーが必要です。
<修正>
例えば、S&S社の17-0450の表示がSTOCK CV & EFIとなっていて、インテークの口径も同じなので両方に適合と表示しているアメリカのディストリビュータが多く、
日本で販売している所でも混乱しています。
あらためてS&S社のカタログを見てみると、内部のパーツも異なっていて互換性は無いメーカーが多いと思われます。
キャブ車用も継続して販売されています。
結論として、適合はメーカー毎に確認が必要です。
shima
初めまして。質問お願いします。
現在 FXSTD デュースの2007年インジェクション(TC96B)に乗っいて S&Sティアドロップエアクリーナの購入を検討しています。
ビッグツイン用のS&S ティアドロップエアクリーナーキット CV/EFI用は品番が「17-0403」と「17-0450」があります。
パーツ構成が少し違うみたいですが何が違うのですか?
2007年 FXSTD デュースに「17-0403」は装着できないのですか?
お手数おかけします。ご伝授よろしくお願いします。
worldmotor 投稿者
ご返事が遅くなりました。
このエアクリーナーはファンが多いですが、アメリカのディストリビューターの適合表示がいい加減で誤った適合が表示されているサイトがあります。
弊社の適合表示もミスがありましたので直しておきました 🙂
https://www.hd-parts.jp/fs/hdgp/air_touring-tw-cable-sands/SEL-1010-0325
内部の部品の写真も参考にして下さい。
17-0403はキャブ車用で、17-0450はEFI車用です。
外観は同じですが、内部のホースやガスケットが異なり、互換性はありません。
2007年インジェクション車の場合は17-0450が適合します。
madara1
スポーツスター用のインジェクションエアクリーナーはダイナには流用できませんか?
worldmotor 投稿者
インジェクターのボルト位置は同じなので、流用可能なものもあります。
バックプレートがブリーザーと一体のものは取付できません。